首页
文化综合T版
试题篮(
)
全景学练考
考点导航
[ 所有信息 ][ 单选题 ] 列表
单选题
多选题
判断题
填空题
解答题
解析题
下列数的转换方式中正确的是( )。
*. ${(*******)**}→{(**)**}$(此内容仅VIP会员可见)
*. ${(********)**}→{(**)*{**}}$(此内容仅VIP会员可见)
*. ${(**)*{**}}→{(*******)*{*******}}$(此内容仅VIP会员可见)
*. ${(**)*{**}}→{(******)**}$(此内容仅VIP会员可见)
收藏
纠错
加入试题篮
测得某放大电路中的三极管各管脚电位如图所示,则其( )。
*. *****,②*****(此内容仅VIP会员可见)
*. ****,③*****(此内容仅VIP会员可见)
*. *****,****(此内容仅VIP会员可见)
*. ****,①*****(此内容仅VIP会员可见)
收藏
纠错
加入试题篮
放大电路如图所示,该电路引入了交直流( )。
*. *******(此内容仅VIP会员可见)
*. *******(此内容仅VIP会员可见)
*. *******(此内容仅VIP会员可见)
*. *******(此内容仅VIP会员可见)
收藏
纠错
加入试题篮
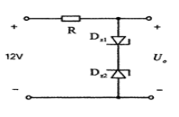
在如图所示的硅稳压二极管稳压电路中,稳压二极管Dz1的稳压值为3V,稳压二极管Dz2的稳压值为5V,正向管压降均为0.7V,则输出电压Uo为( )
*. *.**(此内容仅VIP会员可见)
*. *.**(此内容仅VIP会员可见)
*. *.**(此内容仅VIP会员可见)
*. **(此内容仅VIP会员可见)
收藏
纠错
加入试题篮
正弦波振荡电路起振时的幅度条件是( )。
*. $|\***{*}\***{*}|<*$(此内容仅VIP会员可见)
*. $|\***{*}\***{*}|=*$(此内容仅VIP会员可见)
*. $|\***{*}\***{*}|>*$(此内容仅VIP会员可见)
*. $|\***{*}\***{*}|=*$(此内容仅VIP会员可见)
收藏
纠错
加入试题篮
图示电路中a、b端的等效电阻Rab在开关K打开与闭合时分别为( )。
*. ** **(此内容仅VIP会员可见)
*. ** *(此内容仅VIP会员可见)
*. ** **(此内容仅VIP会员可见)
*. * **(此内容仅VIP会员可见)
收藏
纠错
加入试题篮
图示电路中电压u等于( )。
*. **(此内容仅VIP会员可见)
*. -**(此内容仅VIP会员可见)
*. **(此内容仅VIP会员可见)
*. -**(此内容仅VIP会员可见)
收藏
纠错
加入试题篮
如图所示,电阻2Ω中的电流I的值是( )。
*. **(此内容仅VIP会员可见)
*. **(此内容仅VIP会员可见)
*. **(此内容仅VIP会员可见)
*. **(此内容仅VIP会员可见)
收藏
纠错
加入试题篮
电路如图所示,能正确反映电压${U_1}$和U之间关系的表达式是( )。
*. ${***}= {\*****{{***}}{{***}+{***}}}*$(此内容仅VIP会员可见)
*. ${***}= {\*****{{***}+{***}}{{***}}}*$(此内容仅VIP会员可见)
*. ${***}= {\*****{{***}}{{***}+{***}}}*$(此内容仅VIP会员可见)
*. ${***}= {\*****{{***}+{***}}{{***}}}*$(此内容仅VIP会员可见)
收藏
纠错
加入试题篮
如图所示电路中,小磁针N极将( )。
*. ********(此内容仅VIP会员可见)
*. ********(此内容仅VIP会员可见)
*. ****(此内容仅VIP会员可见)
*. ****(此内容仅VIP会员可见)
收藏
纠错
加入试题篮
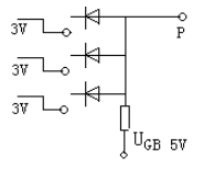
不属于组合逻辑门电路的是( )。
*. *(此内容仅VIP会员可见)
*. **(此内容仅VIP会员可见)
*. **(此内容仅VIP会员可见)
*. ***(此内容仅VIP会员可见)
收藏
纠错
加入试题篮
某正弦交流电路如图所示,$R={X_L}=2{X_C}$,${A_1}$读数为2A,A读数为( )。
*. $\****{*}$*(此内容仅VIP会员可见)
*. **(此内容仅VIP会员可见)
*. $*\****{*}$*(此内容仅VIP会员可见)
*. **(此内容仅VIP会员可见)
收藏
纠错
加入试题篮
所示电路中,若${X_L}={X_C}$,则该电路属于( )电路。
*. ***(此内容仅VIP会员可见)
*. **(此内容仅VIP会员可见)
*. **(此内容仅VIP会员可见)
*. ****(此内容仅VIP会员可见)
收藏
纠错
加入试题篮
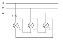
三相电路如图所示,三只同规格灯泡正常工作。若在“b”处出现开路故障,则各灯亮度情况为( )。
*. ${***}$、${***}$**,${***}$****(此内容仅VIP会员可见)
*. ${***}$、${***}$**,${***}$****(此内容仅VIP会员可见)
*. ${***}$、${***}$、${***}$*****(此内容仅VIP会员可见)
*. ${***}$、${***}$、${***}$***(此内容仅VIP会员可见)
收藏
纠错
加入试题篮
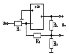
如图所示电路中,设A为理想运放,其电路中存在如下关系 ( )。
*. ${***}=*$(此内容仅VIP会员可见)
*. ${***}={***}$(此内容仅VIP会员可见)
*. ${***}={***}-{***}{***}$(此内容仅VIP会员可见)
*. ${***}=-{\*****{**}{**}}{***}$(此内容仅VIP会员可见)
收藏
纠错
加入试题篮
如图表示的是( )门电路。
*. **(此内容仅VIP会员可见)
*. **(此内容仅VIP会员可见)
*. **(此内容仅VIP会员可见)
*. ***(此内容仅VIP会员可见)
收藏
纠错
加入试题篮
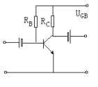
共发射极放大电路如图所示,现在处于饱和状态,欲恢复放大状态,通常采用的方法是( )。
*. **${***}$(此内容仅VIP会员可见)
*. **${***}$(此内容仅VIP会员可见)
*. **${***}$(此内容仅VIP会员可见)
*. **${**{**}}$(此内容仅VIP会员可见)
收藏
纠错
加入试题篮
一段有源电路如图所示,电流由B流向A,则A、B两端的电压${U_{AB}}$为( )。
*. -***(此内容仅VIP会员可见)
*. -**(此内容仅VIP会员可见)
*. **(此内容仅VIP会员可见)
*. ***(此内容仅VIP会员可见)
收藏
纠错
加入试题篮
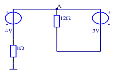
如图所示中A点电位为( )。
*. **(此内容仅VIP会员可见)
*. **(此内容仅VIP会员可见)
*. **(此内容仅VIP会员可见)
*. **(此内容仅VIP会员可见)
收藏
纠错
加入试题篮
在下图所示的电路中,R1=2Ω,R2=3Ω,E=6V,内阻不计,当电流I=-0.5A,方向A点到D点时,则${U_{AC}}$为( )。
*. **(此内容仅VIP会员可见)
*. **(此内容仅VIP会员可见)
*. **(此内容仅VIP会员可见)
*. **(此内容仅VIP会员可见)
收藏
纠错
加入试题篮
共18275记录
«上一页
1
...
899
900
901
902
903
904
905
906
...
914
下一页»
微信刷题
联系电话
手机
181-0729-8398
邮箱
254634089@qq.com
返回顶部