首页
文化综合T版
试题篮(
)
全景学练考
考点导航
[ 所有信息 ][ 单选题 ] 列表
单选题
多选题
判断题
填空题
解答题
解析题
当电气设备发生接地故障,接地电流通过接地体向大地流散,若人在接地短路点周围行走,其两脚间的电位差引起的触电叫( )触电。
*. **(此内容仅VIP会员可见)
*. **(此内容仅VIP会员可见)
*. ****(此内容仅VIP会员可见)
*. ***(此内容仅VIP会员可见)
收藏
纠错
加入试题篮
叠加定理只适用于( )。
*. *****(此内容仅VIP会员可见)
*. ****(此内容仅VIP会员可见)
*. ****(此内容仅VIP会员可见)
*. ****(此内容仅VIP会员可见)
收藏
纠错
加入试题篮
平行板电容器在极板面积和介质一定时,如果缩小两极板之间的距离,则电容量将( )。
*. **(此内容仅VIP会员可见)
*. **(此内容仅VIP会员可见)
*. **(此内容仅VIP会员可见)
*. ****(此内容仅VIP会员可见)
收藏
纠错
加入试题篮
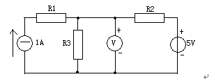
图示电路中,V是电压表。当1A电流源单独作用时,V的读数为3V;而当5V电压源单独作用时,V的读数为2V。若将5V电压源换成15V的电压源,并与1A的电流源共同作用,则V的读数为( )。
*. ***(此内容仅VIP会员可见)
*. ***(此内容仅VIP会员可见)
*. **(此内容仅VIP会员可见)
*. ***(此内容仅VIP会员可见)
收藏
纠错
加入试题篮
赵先生,35岁。诊断为破伤风。患者出院后,其终末消毒错误的是
*. *********,******(此内容仅VIP会员可见)
*. ******,********(此内容仅VIP会员可见)
*. ********,*********(此内容仅VIP会员可见)
*. **********(此内容仅VIP会员可见)
*. *******、**********(此内容仅VIP会员可见)
收藏
纠错
加入试题篮
三相对称电源的条件是( )。
*. ****.**.*****(此内容仅VIP会员可见)
*. ******.****.******°(此内容仅VIP会员可见)
*. ****.**.***** (此内容仅VIP会员可见)
*. ******.****.*******°(此内容仅VIP会员可见)
收藏
纠错
加入试题篮
某导体两端电压为100V,通过的电流为2A;当两端电压降为50V时,导体电阻应为( )。
*. ***Ω(此内容仅VIP会员可见)
*. **Ω(此内容仅VIP会员可见)
*. **Ω(此内容仅VIP会员可见)
*. **Ω(此内容仅VIP会员可见)
收藏
纠错
加入试题篮
下列说法中,正确的是( )
*. ******* *********,**********(此内容仅VIP会员可见)
*. **************,**********,**********Φ=** (此内容仅VIP会员可见)
*. ************(此内容仅VIP会员可见)
*. *****(此内容仅VIP会员可见)
收藏
纠错
加入试题篮
一有源二端网络,测得其开路电压为100V,短路电流为10A,当外接10Ω负载时,负载电流为( )A。
*. *(此内容仅VIP会员可见)
*. **(此内容仅VIP会员可见)
*. **(此内容仅VIP会员可见)
*. **(此内容仅VIP会员可见)
收藏
纠错
加入试题篮
导线型号为BVR的含义是( )。
*. ******** (此内容仅VIP会员可见)
*. ******** (此内容仅VIP会员可见)
*. ********(此内容仅VIP会员可见)
*. ********(此内容仅VIP会员可见)
收藏
纠错
加入试题篮
一个交流RC串联电路,已知UR=3V,UC=4V,则总电压等于( )伏
*. *(此内容仅VIP会员可见)
*. *(此内容仅VIP会员可见)
*. *(此内容仅VIP会员可见)
*. **(此内容仅VIP会员可见)
收藏
纠错
加入试题篮
一台变压器原、副绕组电压为60V/12V,若副绕组接一电阻Rr=8Ω,则从原绕组看进去的等效电阻是( )。
*. **Ω(此内容仅VIP会员可见)
*. **Ω(此内容仅VIP会员可见)
*. ***Ω (此内容仅VIP会员可见)
*. ***Ω(此内容仅VIP会员可见)
收藏
纠错
加入试题篮
负反馈能抑制
*. *************(此内容仅VIP会员可见)
*. **********(此内容仅VIP会员可见)
*. ********** (此内容仅VIP会员可见)
*. ***********(此内容仅VIP会员可见)
收藏
纠错
加入试题篮
串联负反馈放大电路环内的输入电阻是无反馈时输入电阻的
*. *+***(此内容仅VIP会员可见)
*. */(*+**)*(此内容仅VIP会员可见)
*. */**(此内容仅VIP会员可见)
*. */***(此内容仅VIP会员可见)
收藏
纠错
加入试题篮
手摇式兆欧表的测量机构,通常是用( )做成。
*. ***** (此内容仅VIP会员可见)
*. ****** (此内容仅VIP会员可见)
*. ****** (此内容仅VIP会员可见)
*. ******(此内容仅VIP会员可见)
收藏
纠错
加入试题篮
函数F=AB+BC,使F=1的输入ABC组合为( )。
*. ***=*** (此内容仅VIP会员可见)
*. ***=***(此内容仅VIP会员可见)
*. ***=*** (此内容仅VIP会员可见)
*. ***=***(此内容仅VIP会员可见)
收藏
纠错
加入试题篮
三相异步电动机反接制动时,采用对称制电阻接法,可以在限制制动转矩的同时,也限制了( )。
*. **** (此内容仅VIP会员可见)
*. ****(此内容仅VIP会员可见)
*. ****(此内容仅VIP会员可见)
*. **** (此内容仅VIP会员可见)
收藏
纠错
加入试题篮
所谓同步转速,即( )。
*. ****** (此内容仅VIP会员可见)
*. **** (此内容仅VIP会员可见)
*. **** (此内容仅VIP会员可见)
*. ******(此内容仅VIP会员可见)
收藏
纠错
加入试题篮
当空气开关动作后,用手触摸其外壳,发现开关外壳较热,则动作的可能是( )。
*. **(此内容仅VIP会员可见)
*. **(此内容仅VIP会员可见)
*. **(此内容仅VIP会员可见)
*. **(此内容仅VIP会员可见)
收藏
纠错
加入试题篮
实验室中的交流电压表和电流表,其读值是交流电的( )。
*. ***(此内容仅VIP会员可见)
*. ***(此内容仅VIP会员可见)
*. ***(此内容仅VIP会员可见)
*. ***(此内容仅VIP会员可见)
收藏
纠错
加入试题篮
共19805记录
«上一页
1
...
957
958
959
960
961
962
963
964
...
991
下一页»
微信刷题
联系电话
手机
181-0729-8398
邮箱
254634089@qq.com
返回顶部